Dây chuyền công nghệ
- Xử lý nước thải
- Dây chuyền công nghệ xử lý nước thải khách sạn
- Dây chuyền công nghệ xử lý nước thải khu du lịch
- Dây chuyền công nghệ xử lý nước thải nhà hàng
- Dây chuyền công nghệ xử lý nước thải cao ốc văn phòng, chung cư cao tầng
- Dây chuyền công nghệ xử lý nước thải cụm dân cư tập trung
- Dây chuyền công nghệ xử lý nước thải siêu thị
- Dây chuyền công nghệ xử lý nước thải chợ
- Dây chuyền công nghệ xử lý nước thải trung tâm thương mại
- Dây chuyền công nghệ xử lý nước thải trường học
- Dây chuyền công nghệ xử lý nước thải bệnh viện & trung tâm y tế
- Dây chuyền công nghệ xử lý nước thải nhà máy chế biến thịt gia súc, gia cầm
- Dây chuyền công nghệ xử lý nước thải nhà máy chế biến thủy hải sản
- Dây chuyền công nghệ xử lý nước thải nhà máy sản xuất nước chấm & gia vị
- Dây chuyền công nghệ xử lý nước thải nhà máy chế biến thực phẩm tươi, đông lạnh
- Dây chuyền công nghệ xử lý nước thải nhà máy chế biến thực phẩm đóng hộp
- Dây chuyền công nghệ xử lý nước thải nhà máy chế biến thực phẩm khô, đồ ăn liền
- Dây chuyền công nghệ xử lý nước thải nhà máy dược phẩm & y tế
- Dây chuyền công nghệ XLNT nhà máy sản xuất thuốc bảo vệ thực vật & thuốc thú y
- Dây chuyền CN xử lý nước thải nhà máy chế biến sữa & các sản phẩm từ sữa, bơ, kem
- Quy trình công nghệ xử lý nước thải nhà máy rượu, bia
- Xử lý nước cấp
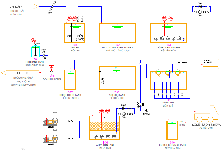
Dây chuyền công nghệ xử lý nước thải nhà máy dược phẩm & y tế
Dây chuyền công nghệ xử lý nước thải nhà máy dược phẩm & y tế (MODEL: PMF.S-02)









